Solid and compact design
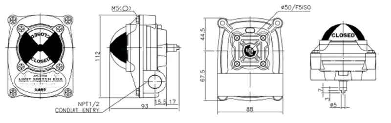
The APL-210N limit switch box manufactured by Zhejiang Jimai Auto-Tech Co., Ltd. is a signal device that is equipped with a sturdy and waterproof shell. It is able to offer both an exterior visual indicator and electrical feedback from a micro switch. Additionally, APL-210N limit switch box is a remote signal device that serves the purpose of displaying the operational condition of the valves by means of the switch at the valve.

CATALOGUE DOWNLOAD 








